相关内容
-
反应烧结制备碳化硅陶瓷及其性能研究
碳化硅是 C—Si 共价键相结合的一种化合物,具有良好的耐磨性和抗热震性,以及耐腐蚀性强,热导率高等优良性能,被广泛用于航空航天、机械制造、石油化工、金属冶炼以及电子行业,特别用于制作耐磨损部件和高温结构部件。
-
如何烧结出致密的氧化铝陶瓷
氧化铝陶瓷具有高绝缘性、高隔热性、耐腐蚀、硬度高等优点,可广泛用于制造坩埚、发动机火花塞、高温耐火材料、热电偶套管、绝缘基片、密封环、刀具模具等。
-
HTCC陶瓷基板:高温工艺背后的高可靠性优势解析
在5G通信、新能源汽车、航空航天等高端制造领域,电子器件对稳定性的要求日益严苛,而HTCC陶瓷基板凭借高温工艺赋予的卓越性能,成为保障设备长效日益严苛,而HTCC陶瓷基板凭借高温工艺赋予的卓越性能,成为保障设备长效运行的核心材料。这种经1500-1600℃高温共烧而成的基板,用“烈火淬炼”的工艺换来了无可替代的可靠性优势。
-
陶瓷基板是昂贵易碎品?
提到 “陶瓷”,人们易联想到易碎品;提到 “电子元件”,常关联廉价材料。当二者结合成 “陶瓷基板”,不少人给它贴上 “昂贵脆弱”“冷门” 标签,但事实并非如此。今天我们就来逐一打破关于陶瓷基板的 3 个常见偏见,看看这个藏在电子设备里的 “硬核选手”,到底有多少被误解的实力。
半导体陶瓷之热敏电阻陶瓷
半导体陶瓷是指具有半导体特性、电导率约在10-6~105S/m的陶瓷。半导体陶瓷的电导率因外界条件(温度、光照、电场、气氛和湿度等)的变化而发生显著的变化,因此可以将外界环境的物理量变化转变为电信号,制成各种用途的敏感元件。热敏半导体陶瓷材料就是其中的一种。
热敏半导体陶瓷材料又称热敏电阻陶瓷,是一种电导率随温度呈明显变化的陶瓷,属于功能陶瓷中的一种。热敏电阻器一般可分为正温度系数(PTC),负温度系数(NTC)和临界温度电阻器(CTR)三类。而临界温度电阻器(CTR)是属于负温度系数(NTC)中的一种。所以,以下小编将从正温度系数(PTC)和负温度系数(NTC)两个大类来跟大家一起了解一下热敏电阻陶瓷。
PTC材料多半是以BaTiO3或BaTiO3固溶体为主晶相的半导体陶瓷元件。在一定的温度范围内,其阻值随温度的增加而增加,当发热和散热达到平衡时,此电阻就保持恒定的阻值和温度,可作为恒温加热使用。按材料的居里点(Tc)可分为低温、高温,按阻值可分为低阻、高阻,按使用电压可分为低压、常压和高压,按曲线陡度可分为缓变型和开关型。
据世界上最大的电子陶瓷生产公司之一的日本村田制作所报道,PTC产品的品种规格已达169种。利用PTC陶瓷既发热又控温的特性,可以制造许多家用电热电器,如彩电消磁器、暖风机、卷发器、暖脚器、手炉等等。近年,人们将半导体陶瓷材料涂覆在玻璃、陶瓷、搪瓷等器皿上,通电发热用来制造电热壶、电火锅、电热水器等。

该类有三种不同类型的阻温特性。一是缓变型的热敏电阻;二是负温度突变型,又称临界温度系数热敏电阻(CTR),在特定温度内,其阻值急剧下降;三是阻温特性为直线的陶瓷热敏元件。
常温(300℃)NTC热敏陶瓷材料,大多数是尖晶石型氧化物半导体陶瓷,其中包括二元系材料及多元系材料。二元系陶瓷材料主要有MnO-CuO-O2系、MnO-CoO-O2系、MnO-NiO-O2系等金属氧化物陶瓷。三元系热敏陶瓷材料主要有Mn-Co-Ni系、Mn-Cu-Ni系、Mn-Cu-Co系等含Mn的金属氧化物。也有不含Mn的NTC热敏陶瓷材料,如Cu-Ni系、Cu-Co-Ni系等。这些氧化物按一定配比混合,经烧结后,性能稳定,可在空气中直接使用,它们的电阻温度系数约为(-1%~-6%)/℃,工作温度在-60~+300℃之间,广泛用于测温、控温、补偿、稳压、遥控、流量流速测量及时间延迟等技术领域。

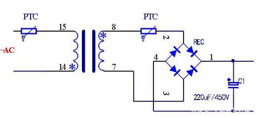
PTC过压、过流、过载等保护作用应用非常广泛,把PTC直接串联在电路当中,在线路出现短路或其他原因导致电流过大时,PTC热敏电阻的内阻迅速无穷倍增大,能够抑制电流过大甚至阻断电流从而保护所需元件或后级电路。当故障排除时,又会恢复到最初的低阻状态,继续导通电路。使用PTC热敏电阻可以对电源电路进行有效的限流保护,合理的设计热敏电阻能使电源电路可靠高效的运行。主要被用于电源变压器、各种充电器、各种仪器仪表等过流过热保护场合,这是PTC热敏电阻利用最为广泛的一种作用,我们也见的比较多,特别是在电源设备当中。如下图,PTC热敏电阻串联进去电路作为过流保护元件,即对变压器进行保护。

电机在启动时都要克服自身的惯性,例如对于单相启动,在启动时需要较大的扭矩。当转动正常后,需要的扭矩不是很大,这时候可以给电机添加辅助线路,可以理解为辅源,相当于电动车爬坡时候需要一个更大的动力,将PTC热敏电阻串联进启动辅助线路当中。
例如对于冰箱的压缩机而言,在启动时候电阻受热阻值变大,压缩电机的启动绕组通电,同时压缩机主绕组运行,当电阻受热变得非常大时候,这时候启动绕组相当于断开,压缩机得以正常运行。
这种PTC热敏电阻作用是消除彩色阴罩以及地磁等杂散磁场对彩色画面的影响,普通彩色电视机中的自动消磁电路一般都由两部组成,即消磁线圈和消磁电阻。PTC消磁元件是利用其电流--时间特性进行工作的。
串接入消磁电路后,由于PTC元件初始电阻很小,消磁线圈中通过的初始电流较大,使线圈产生一个强大的交变磁场。PTC消磁元件因自身发热,电阻随之上升,电路中的电流会被逐渐衰减,使线圈中的交变磁场也随之减弱,从而达到消磁目的。此系列产品运用于彩色电视、彩色显示器及其他CRT的消磁电路。
通过在燃油滤清器中增设恒温PTC热敏电阻类型的加热器,可以提升燃油的温度,从而增加燃油的流动性。这可以避免燃油在寒冷地区或低温条件下发生胶质、石蜡析出,以及水滴结冰堵塞滤芯,解决低温条件下发动机喷嘴易堵塞,供油不畅等问题。

尽管LED具有高效照明、低耗电的特点,但作为高亮度LED元件本身却处于异常的高温状态。村田制作所生产的陶瓷PTC热敏电阻“POSISTOR”能简单实现LED照明设备过热保护的方法,不仅能降低成本,还能提高LED照明设备的安全性。
PTC加热器具具有节能、恒温、安全、寿命长的特点,并逐渐取代电热管成为解决空调器低温制热效果差的问题。PTC电加热能够根据房间温度的变化以及室内机风量的大小改变发热量,调节室内温度,从而达到迅速、强劲制热的目的,有效改善空调在寒冷无地暖地区的运用。
PTC热敏陶瓷电阻可以用来加热芯片,应用在通信设备的低温加热领域,根据其在-40℃低温下,电阻值很小,功率大,可对设备进行快速加热;待加热到芯片能正常启动时,PTC热敏电阻的温度还没达到居里温度,加热器就会被关停。因此它可以满足设备低温下的加热要求。
NTC热敏电阻由于灵敏度高、可靠性高及价格低廉,而被广泛应用于家用电器、汽车以及工业生产设备的温度传感与控制。从元件的功能角度看,主要有以下作用:①温度检测及控制②温度补偿③抑制浪涌电流
作为测量温度的热敏电阻传感器一般结构较简单,价格较低廉。没有外面保护层的热敏电阻只能应用在干燥的地方;密封的热敏电阻不怕湿气的侵蚀、可以使用在较恶劣的环境下。由于热敏电阻传感器的阻值较大,故其连接导线的电阻和接触电阻可以忽略,因此热敏电阻传感器可以在长达几千米的远距离测量温度中应用,测量电路多采用桥路。利用其原理还可以用作其他测温、控温电路等。主要用于汽车、内燃机车、大型电机、油浸变压器等的冷却系统作定点测温的感温元件,也可用在其它场合的温度测量。
热敏电阻传感器可在一定的温度范围内对某些元器件湿度进行补偿。例如,动圈式仪表表头中的动圈由铜线绕制而成。温度升高,电阻增大,引起温度的误差。因而可以在动圈的回路中将负温度系数的热敏电阻与锰铜丝电阻并联后再与被补偿元器件串联,从而抵消内于温度变化所产生的误差。补偿由于温度引起的漂移误差,适用于一般精度的温度测量和在计量设备、对数放大器、晶体管电路中的温度补偿。

CMF片式NTC热敏电阻还适用于半导体集成电路、液晶显示、晶体管及移动通讯设备用石英振荡器的温度补偿;可充当电池的温度探测、计算机微处理器的温度探测以及需要温度补偿的各种电路。
过热保护可分为直接保护和间接保护。对小电流场合,可把热敏电阻传感器直接串入负载中,防止过热损坏以保护器件,对大电流场合,可用于对继电器、晶体管电路等的保护。不论哪种情况,热敏电阻都与被保护器件紧密结合在一起,从而使两者之间充分进行热交换,一旦过热,热敏电阻则起保护作用。例如,在电动机的定子绕组中嵌入突变型热敏电阻传感器并与继电器串联。当电动机过载时,定子电流增大,引起发热。当温度大于突变点时,电路中的电流可以由十分之几毫安突变为几十毫安,因此继电器动作,从而实现过热保护。适用于转换电源、开关电源、UPS电源、各类电加热器、电子节能灯、电子镇流器、各种电子装置电源电路的保护以及彩色显示像管、白炽灯及其它照明灯具的灯丝保护。
给NTC热敏电阻传感器施加一定的加热电流,它的表面温度将高于周围的空气温度,此时它的阻值较小。当液面高于它的安装高度时,液体将带走它的热量,使之温度下降、阻值升高。判断它的阻值变化,就可以知道液面是否低于设定值。汽车油箱中的油位报警传感器就是利用以上原理制作的。热敏电阻在汽车中还用于测量油温、冷却水混等。
值得关注的是,“中国国际先进陶瓷展览会”将于2026年3月24-26日在国家会展中心(上海)隆重举办!
历经十七载精耕细作,已发展成为全球规模最高、产业链覆盖最全的行业期间盛会。展会以55,000㎡的宏大规模,汇聚多个国家及地区的1000余家中外知名企业,打造全球先进陶瓷领域的“创新策源地”与“商贸枢纽站”,专业观众预计突破80,000人次,将打开万亿级市场的战略窗口。展会将搭建起供需精准匹配的高效平台,助力企业链接优质资源,拓展全球市场,推进先进陶瓷产业向高端化、智能化、国际化迈进,书写全球先进陶瓷产业发展的新篇章!
同期举办的第七届先进陶瓷前沿与产业发展论坛与2026第四届电子陶瓷及元器件产业发展论坛围绕先进陶瓷与电子陶瓷材料创新、制备工艺、器件设计、应用开发及产业链协同等前沿议题展开深入探讨,助力行业实现升级创新与可持续发展。
声 明:文章内容来源于电子元器件世界。仅作分享,不代表本号立场;图片非商业用途。如有侵权,请联系小编删除,谢谢!






沪公网安备31011802004982